Traitement en cours...

Taraud trou borgne marque YAMAWA ZET-B 376 ISO2X(6HX) M24X3 HSS-P référence SG024SBIPN

Catégorie : Tarauds - trous borgnes (TAPCON_F_COR)

Référence COC : 728919

Référence fabricant : SG024SBIPN

Marque : YAMAWA

Prodfam : ZET-B

Prix de vente : 200,46 €/HT

Reduction : 32.00%

Prix de vente conseillé : 294,80 €/HT (par pièce)

Conditionnement : 1 pièce(s)

Classification des matières niveau 1(TMC1ISO) :
P
M
K
S

Stock EU : 31



Informations de recherche : [ADINTMS:Tap shank DIN -metric: 18.00 x 14.50][HAND:R][LF:160][MARQUE:YAMAWA][SUBSTRATE:HSS-P][TCTR:ISO2X (6HX)][TDZ:M 24]

Caractéristique(s)  
(DIN_NUM) 376
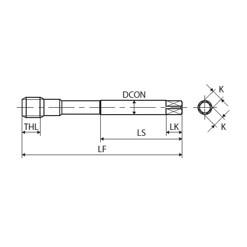
Interface adaptative direction machine (ADINTMS) Queue de taraud DIN -metrique: 18.00 x 14.50
Longueur fonctionnelle (LF) 160 mm
Sens (HAND) R
Diamètre du filet (TD) 24 mm
Diamètre de connexion (DCONMS) 18 mm
Type de filet (FILET) M
Pas du filetage (TP) 3 mm
Diamètre d’alésage pré-usiné (PHD) 21.00 mm
Classe de tolérance du filet (TCTR) ISO2X (6HX)
Diamètre du filet (TDZ) M 24
Code du type de sortie du liquide de coupe (CXSC) 0: no coolant exit
Substrat (SUBSTRATE) HSS-P
Nombre de goujures (NOF) 4
Longueur de filetage (THL) 25 mm
Type de chanfrein de filetage (THCHT) 3P
Longueur de serrage (LS) 82
DIN (DIN) DIN
Code ISO matière à usiner (TMC1_ISO) PMKS
Cote K (K) 14.50
Marque du produit (MARQUE) YAMAWA
Délai (DELAI) 10



ADINTMS : Queue de taraud DIN -metrique: 18.00 x 14.50