Traitement en cours...

Taraud trou borgne marque YAMAWA ZET-B 376 ISO2X(6HX) M20X2.5 HSS-P référence SG020RBIPN

Catégorie : Tarauds - trous borgnes (TAPCON_F_COR)

Référence COC : 728918

Référence fabricant : SG020RBIPN

Marque : YAMAWA

Prodfam : ZET-B

Prix de vente : 146,24 €/HT

Reduction : 32.00%

Prix de vente conseillé : 215,06 €/HT (par pièce)

Conditionnement : 1 pièce(s)

Classification des matières niveau 1(TMC1ISO) :
P
M
K
S

Stock EU : 39



Informations de recherche : [ADINTMS:Tap shank DIN -metric: 16.00 x 12.00][HAND:R][LF:140][MARQUE:YAMAWA][SUBSTRATE:HSS-P][TCTR:ISO2X (6HX)][TDZ:M 20]

Caractéristique(s)  
(DIN_NUM) 376
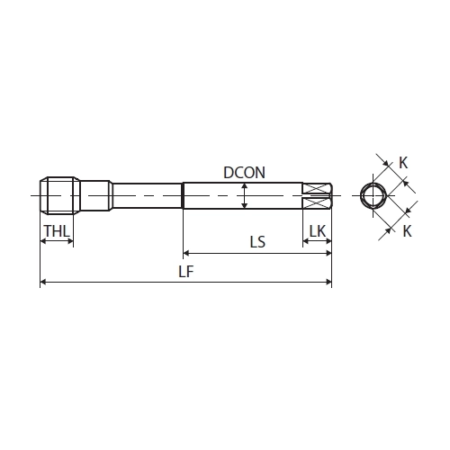
Interface adaptative direction machine (ADINTMS) Queue de taraud DIN -metrique: 16.00 x 12.00
Longueur fonctionnelle (LF) 140 mm
Sens (HAND) R
Diamètre du filet (TD) 20 mm
Diamètre de connexion (DCONMS) 16 mm
Type de filet (FILET) M
Pas du filetage (TP) 2.5 mm
Diamètre d’alésage pré-usiné (PHD) 17.50 mm
Classe de tolérance du filet (TCTR) ISO2X (6HX)
Diamètre du filet (TDZ) M 20
Code du type de sortie du liquide de coupe (CXSC) 0: no coolant exit
Substrat (SUBSTRATE) HSS-P
Nombre de goujures (NOF) 4
Longueur de filetage (THL) 20 mm
Type de chanfrein de filetage (THCHT) 3P
Longueur de serrage (LS) 71
DIN (DIN) DIN
Code ISO matière à usiner (TMC1_ISO) PMKS
Cote K (K) 12.00
Marque du produit (MARQUE) YAMAWA
Délai (DELAI) 10



ADINTMS : Queue de taraud DIN -metrique: 16.00 x 12.00