Traitement en cours...

Taraud à refouler marque YAMAWA MHRZ 376 ISO2X(6HX) M16X2 B HSS-Co référence RG016QBOCTB

Catégorie : Tarauds à refouler (TAPCYLFRM_F_COR)

Référence COC : 727748

Référence fabricant : RG016QBOCTB

Marque : YAMAWA

Prodfam : MHRZ

Prix de vente : 129,35 €/HT

Reduction : 32.00%

Prix de vente conseillé : 190,22 €/HT (par pièce)

Conditionnement : 1 pièce(s)

Classification des matières niveau 1(TMC1ISO) :
P
N

Sur commande



Informations de recherche : [ADINTMS:Tap shank DIN -metric: 12.00 x 9.00][HAND:R][LF:110][MARQUE:YAMAWA][SUBSTRATE:HSS-Co][TCTR:ISO2X (6HX)][TDZ:M 16]

Caractéristique(s)  
(DIN_NUM) 376
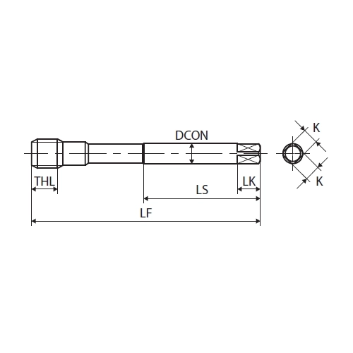
Interface adaptative direction machine (ADINTMS) Queue de taraud DIN -metrique: 12.00 x 9.00
Longueur fonctionnelle (LF) 110 mm
Sens (HAND) R
Diamètre du filet (TD) 16 mm
Diamètre de connexion (DCONMS) 12 mm
Type de filet (FILET) M
Pas du filetage (TP) 2 mm
Diamètre d’alésage pré-usiné (PHD) 15.10 mm
Classe de tolérance du filet (TCTR) ISO2X (6HX)
Diamètre du filet (TDZ) M 16
Code du type de sortie du liquide de coupe (CXSC) 0: no coolant exit
Substrat (SUBSTRATE) HSS-Co
Nombre de goujures (NOF) 8(8)
Longueur de filetage (THL) 18 mm
Type de chanfrein de filetage (THCHT) 2P
Longueur de serrage (LS) 56
DIN (DIN) DIN
Code ISO matière à usiner (TMC1_ISO) PN
Cote K (K) 9.00
Marque du produit (MARQUE) YAMAWA
Délai (DELAI) 10



ADINTMS : Queue de taraud DIN -metrique: 12.00 x 9.00