Traitement en cours...

Taraud trou borgne marque YAMAWA HVSP 5156 ISO228X 1/2-14 HSS-E référence SVG0080EEXJ

Catégorie : Tarauds - trous borgnes (TAPCON_F_COR)

Référence COC : 727637

Référence fabricant : SVG0080EEXJ

Marque : YAMAWA

Prodfam : HVSP

Prix de vente : 96,13 €/HT

Reduction : 32.00%

Prix de vente conseillé : 141,37 €/HT (par pièce)

Conditionnement : 1 pièce(s)

Classification des matières niveau 1(TMC1ISO) :
P
M

Stock EU : 23



Informations de recherche : [ADINTMS:Tap shank DIN -metric: 16.00 x 12.00][HAND:R][LF:125][MARQUE:YAMAWA][SUBSTRATE:HSS-E][TCTR:ISO228X][TDZ:G 1/2-14]

Caractéristique(s)  
(DIN_NUM) 5156
Interface adaptative direction machine (ADINTMS) Queue de taraud DIN -metrique: 16.00 x 12.00
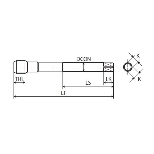
Longueur fonctionnelle (LF) 125 mm
Sens (HAND) R
Diamètre du filet (TD) 1/2 mm
Diamètre de connexion (DCONMS) 16 mm
Type de filet (FILET) G
Pas du filetage (TP) 14 mm
Diamètre d’alésage pré-usiné (PHD) 19 mm
Classe de tolérance du filet (TCTR) ISO228X
Diamètre du filet (TDZ) G 1/2-14
Code du type de sortie du liquide de coupe (CXSC) 0: no coolant exit
Substrat (SUBSTRATE) HSS-E
Nombre de goujures (NOF) 4
Longueur de filetage (THL) 24 mm
Type de chanfrein de filetage (THCHT) 2.5P
Longueur de serrage (LS) 64
DIN (DIN) DIN
Code ISO matière à usiner (TMC1_ISO) PM
Cote K (K) 12.00
Marque du produit (MARQUE) YAMAWA
Délai (DELAI) 10



ADINTMS : Queue de taraud DIN -metrique: 16.00 x 12.00