Traitement en cours...

Taraud main marque YAMAWA HT 352 ISO2(6H) M8X1.25 F HSS-E référence TQ8.0NANEB2

Catégorie : Jeux de tarauds à main (COC_TAP_MAIN)

Référence COC : 727348

Référence fabricant : TQ8.0NANEB2

Marque : YAMAWA

Prodfam : HT DIN352

Prix de vente : 11,06 €/HT

Reduction : 32.00%

Prix de vente conseillé : 16,27 €/HT (par pièce)

Conditionnement : 1 pièce(s)

Classification des matières niveau 1(TMC1ISO) :
P
K
N

Stock EU : 10



Informations de recherche : [ADINTMS:Tap shank DIN -metric: 6.00 x 4.90][FILET:M][HAND:R][LF:56][MARQUE:YAMAWA][TDZ:M 8]

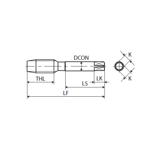
Caractéristique(s)  
(DIN_NUM) 352
Interface adaptative direction machine (ADINTMS) Queue de taraud DIN -metrique: 6.00 x 4.90
Longueur fonctionnelle (LF) 56 mm
Sens (HAND) R
Diamètre du filet (TD) 8 mm
Diamètre de connexion (DCONMS) 6 mm
Type de filet (FILET) M
Pas du filetage (TP) 1.25 mm
Diamètre d’alésage pré-usiné (PHD) 6.80 mm
Classe de tolérance du filet (TCTR) ISO2 (6H)
Diamètre du filet (TDZ) M 8
Code du type de sortie du liquide de coupe (CXSC) 0: no coolant exit
Substrat (SUBSTRATE) HSS-E
Nombre de goujures (NOF) 4
Longueur de filetage (THL) 19 mm
Type de chanfrein de filetage (THCHT) F
Longueur de serrage (LS) 29
DIN (DIN) DIN
Code ISO matière à usiner (TMC1_ISO) PKN
Cote K (K) 4.90
Marque du produit (MARQUE) YAMAWA
Délai (DELAI) 10



ADINTMS : Queue de taraud DIN -metrique: 6.00 x 4.90