Traitement en cours...

Taraud à refouler marque YAMAWA EHRZ 374 ISO2X M16X1.5 D(4P) HSS-Co référence 3120101116

Catégorie : Tarauds à refouler (TAPCYLFRM_F_COR)

Référence COC : 727112

Référence fabricant : 3120101116

Marque : YAMAWA

Prodfam : EHRZ

Prix de vente : 123,74 €/HT

Reduction : 32.00%

Prix de vente conseillé : 181,97 €/HT (par pièce)

Conditionnement : 1 pièce(s)

Classification des matières niveau 1(TMC1ISO) :
P
M

Sur commande



Informations de recherche : [ADINTMS:Tap shank DIN -metric: 12.00 x 9.00][HAND:R][LF:100][MARQUE:YAMAWA][SUBSTRATE:HSS-Co][TCTR:ISO2X (6HX)][TDZ:MF 16x1.5]

Caractéristique(s)  
(DIN_NUM) 374
Interface adaptative direction machine (ADINTMS) Queue de taraud DIN -metrique: 12.00 x 9.00
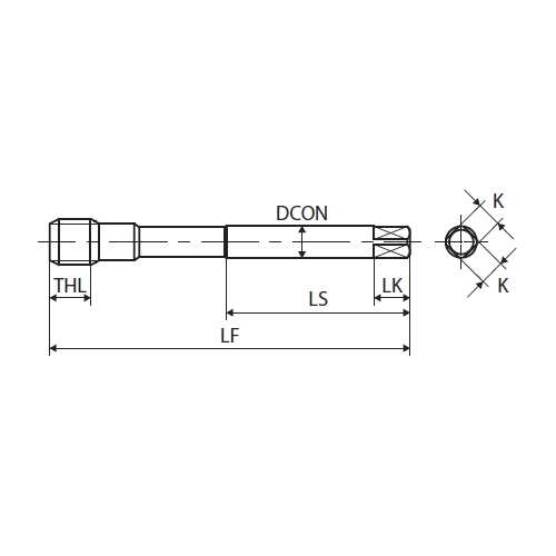
Longueur fonctionnelle (LF) 100 mm
Sens (HAND) R
Diamètre du filet (TD) 16 mm
Diamètre de connexion (DCONMS) 12 mm
Type de filet (FILET) MF
Pas du filetage (TP) 1.5 mm
Classe de tolérance du filet (TCTR) ISO2X (6HX)
Diamètre du filet (TDZ) MF 16x1.5
Code du type de sortie du liquide de coupe (CXSC) 0: no coolant exit
Substrat (SUBSTRATE) HSS-Co
Nombre de goujures (NOF) 8(8)
Longueur de filetage (THL) 18 mm
Type de chanfrein de filetage (THCHT) 4P
Longueur de serrage (LS) 51
DIN (DIN) DIN
Code ISO matière à usiner (TMC1_ISO) PM
Cote K (K) 9.00
Marque du produit (MARQUE) YAMAWA
Délai (DELAI) 10



ADINTMS : Queue de taraud DIN -metrique: 12.00 x 9.00