Traitement en cours...

Mandrin Fahrion HSK-A DPC avec écrou DPC référence DPC32-HSK-A100-A=100 63186301006

Catégorie : Adaptateur HSK-A (COC_HSKA)

Référence COC : 296759

Référence fabricant : FAH63186301006

Marque : FAHRION

Prodfam : HSK-A DPC

Prix de vente : 285,65 €/HT

Reduction : 12.00%

Prix de vente conseillé : 324,60 €/HT (par pièce)

Conditionnement : 1 pièce(s)

Sur commande



Informations de recherche : [ADINTMS:HSK -A -size 100][ADINTWS:ER collet (DIN6499-B) -ER32][LB1:59][MARQUE:FAHRION]

Caractéristique(s)  
Type écrou (TYPE_ECROU) HSS
Avec écrou (AVEC_ECROU) Oui
Clé à rouleau (CLE_A_ROULEAU) RO50
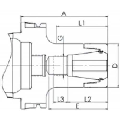
Cote L3 (COTE_L3) 17 mm
(G) M22X1.5
Interface adaptative direction pièce (ADINTWS) Pince ER (DIN6499-B) -ER32
Interface adaptative direction machine (ADINTMS) HSK -A -taille 100
Diamètre de connexion (D) 50 mm
Code du type d'orifice d'adduction du liquide de coupe (CNSC) 1: axial concentric entry
Longueur de corps (L1) 59 mm
Longueur de corps (A) 100 mm
Code matériau du corps (BMC) steel
Cote E (COTE_E) 67 mm
Cote L2 (COTE_L2) 47 mm
Marque du produit (MARQUE) FAHRION
Délai (DELAI) 10



ADINTMS : HSK -A -taille 100

ADINTWS : Pince ER (DIN6499-B) -ER32
Adaptateur rotatif queue ER

Adaptateur rotatif queue ER
36 résultat(s)

Pince ER DIN6499-B

Pince ER DIN6499-B
254 résultat(s)